Сервисный центр:

+375 44 788-25-99
220004, г. Минск, ул. Западная, 11а, оф. 2

Режим работы:

с 8:00 до 17:00, сб, вс - выходной
сельСКОхозяйственная техника
сельСКОхозяйственная техника

Режим работы:

с 8:00 до 17:00, сб, вс - выходной
220004, г. Минск, ул. Западная, 11а, оф. 2

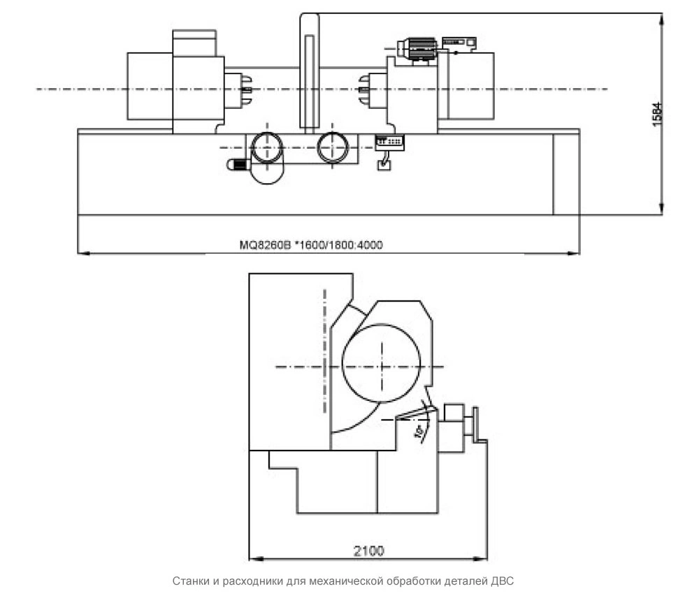
Станок SJMC для шлифовки шеек коленчатых валов MQ8260В/6-1600

Модель: MQ8260В/6-1600
Производитель: Китай
Цена: по запросу
Цены на сайте не являются публичной офертой и носят информативный характер

Описание

Данный станок предназначен для шлифовки коленчатых валов в широком диапазоне размеров. Есть возможность шлифовки как в патронах так и с использованием заводских центров. Возможна шлифовка валов до 1600мм (в зависимости от модели станка) минимизируя прогибы и биение благодаря входящим в комплект вертикальной и горизонтальной поддержке, простая регулировка смещения патронов позволяет показать высокую производительность и качество обработки. Надежность и точность станка, а так же качество исполнения позволяют конкурировать с европейскими и американскими производителями аналогичного оборудования.

Характеристики

ПОЗИЦИЯ

ЕД. ИЗМ.

MQ8260B*1600

MQ8260B*1800

MQ8260B*2000

Максимальный диаметр и длина вала

мм

D580*1600

D580*1800

D580*2000

Максимальный диаметр вала

мм

D580

D580

D580

Диаметр обрабатываемой шейки с люнетом

мм

D30*200

D30*200

D30*200

Центр смещения коленчатого вала

мм

D30*100

D30*100

D30*100

Максимальная длина коленвала в патронах

мм

1300

1300

1700

Максимальная длина коленвала в центрах

мм

1600

1600

2000

Максимальный вес вала

кг

120

120

120

Высота центра

мм

300

300

300

Рабочая скорость вращения вала

об/мин

25,50,100

25,50,100

25,50,100

Поперечное перемещение

мм

185

185

185

Быстрое перемещение

мм

100

100

100

Быстря подача маховика

мм

1

1

1

Подача круга на перемещение маховика

мм

0,005

0,005

0,005

Скорость вращения шлифовального круга

об/мин

760

760

760

Переферийная скорость вращения шлифовального круга

м/сек

25,6-35

25,6-35

25,6-35

Размер шлифовального круга

мм

D900*32*D305/ D900*22*D305

Ход стола за поворот маховика грубая подача

мм

5,88

5,88

5,88

Ход стола за поворот маховика тонкая подача

мм

1,68

1,68

1,68

Поворот стола

градус

5

5

5

Поворот стола на градус шкалы

мин (')

10

10

10

Общая мощность двигателя

кВт

9,45

9,45

9,45

Размеры станка (Д*Ш*В)

мм

4000*2100*1584

4000*2100*1584

4000*2100*1584

Размеры упаковки (Д*Ш*В)

мм

4350*2250*2000

4350*2250*2000

4350*2250*2000

Вес

кг

6700

6700

7200

Точность станка (эллипс)

мм

0,005

0,005

0,005

Точность станка (конус)

мм

0,01

0,01

0,01

Шероховатость

um

0,32 Ra

0,32 Ra

0,32 Ra

Сроки изготовления

раб. дней

120

120

120

Комплектация

КОМПЛЕКТАЦИЯ

Наличие

Патроны для зажима вала

+

Инструмент для правки круга

+

Люнет

+

Оправка для балансировки круга D80

+

Выравнивающий клин

+

Поводок

+

Вертикальная стойка для выравнивания

+

Горизонтальная стойка для выравнивания

+

Шлифовальный круг

+

С этим товаром покупают

Горизонтально-расточные станки

Горизонтально-расточные станки

Станки для расточки верхней и нижней головки шатуна

Станки для расточки верхней и нижней головки шатуна

Стенды для разборки/сборки двигателей (кантователи)

Стенды для разборки/сборки двигателей (кантователи)

Похожие товары

Станок SJMC для шлифовки шеек коленчатых валов MQ8260C-16

Станок SJMC для шлифовки шеек коленчатых валов MQ8260C-16
Цена: по запросу

Станок SJMC для шлифовки шеек коленчатых валов MQ8260В*1600

Станок SJMC для шлифовки шеек коленчатых валов MQ8260В*1600
Цена: по запросу

Станок SJMC для шлифовки шеек коленчатых валов MQ8260A-18

Станок SJMC для шлифовки шеек коленчатых валов MQ8260A-18
Цена: по запросу

Станок SJMC для шлифовки шеек коленчатых валов MQ8260C-18

Станок SJMC для шлифовки шеек коленчатых валов MQ8260C-18
Цена: по запросу

Станок SJMC для шлифовки шеек коленчатых валов MQ8260A-20

Станок SJMC для шлифовки шеек коленчатых валов MQ8260A-20
Цена: по запросу

Станок SJMC для шлифовки шеек коленчатых валов MQ8260A-16

Станок SJMC для шлифовки шеек коленчатых валов MQ8260A-16
Цена: по запросу

Станок SJMC для шлифовки шеек коленчатых валов MQ8260В*2000

Станок SJMC для шлифовки шеек коленчатых валов MQ8260В*2000
Цена: по запросу

Станок SJMC для шлифовки коленчатых валов M8260x3000

Станок SJMC для шлифовки коленчатых валов M8260x3000
Цена: по запросу

Устройство SJMC для полировки коленчатых валов CPA100

Устройство SJMC для полировки коленчатых валов CPA100
Цена: по запросу

Устройство SJMC для полировки коленчатых валов CBA100

Устройство SJMC для полировки коленчатых валов CBA100
Цена: по запросу
Недавно просмотренные товары
Винтовой компрессор прямого привода ВК75Р-7,5 (Д, ВС, ДВС) Мощность 55кВт Винтовой компрессор прямого привода ВК75Р-7,5 (Д, ВС, ДВС) Мощность 55кВт
Цена: по запросу
Балансировочный станок СТОРМ Proxy 7-2 Балансировочный станок СТОРМ Proxy 7-2
Цена: 7 483.85 BYN
Оформить заказ

Станок SJMC для шлифовки шеек коленчатых валов MQ8260В/6-1600

Заказать звонок